What is Part K of the Building Regulations?
Part K or Approved Document K is the statutory guidance on protection from falling, collision, and impact. It’s a building regulation specific to England covering the design of staircases, ladders, ramps, guarding and vehicle barriers in and around all types of buildings. The document combines Approved Document N: glazing and includes parts of approved Document M: access to and use of buildings.
This document outlines some legal requirements intermingled with general guidance. When reading any part of the Building Regulations, any text against a green background is an extract from the Building Regulations 2010 and constitutes a legal requirement to be followed as specified.
Which section could apply to handrail anti-skate studs?
The section that could reasonably apply to the application of handrail anti-skate studs is K1: Stairs, ladders, and ramps. This section covers both internal and external steps and stairs as part of a building.
Part K also clarifies that Approved Document M covers external stepped access that forms part of the access to the route to a building from the boundary of the site and car parking.
In this instance we have two clarifying documents, Part K that applies to internal and external steps that are considered a part of the building and Part M that applies to access to the route to a building. Outside of those considerations are stair sets unconnected to buildings like public pedestrian routes through public centers and other such areas.
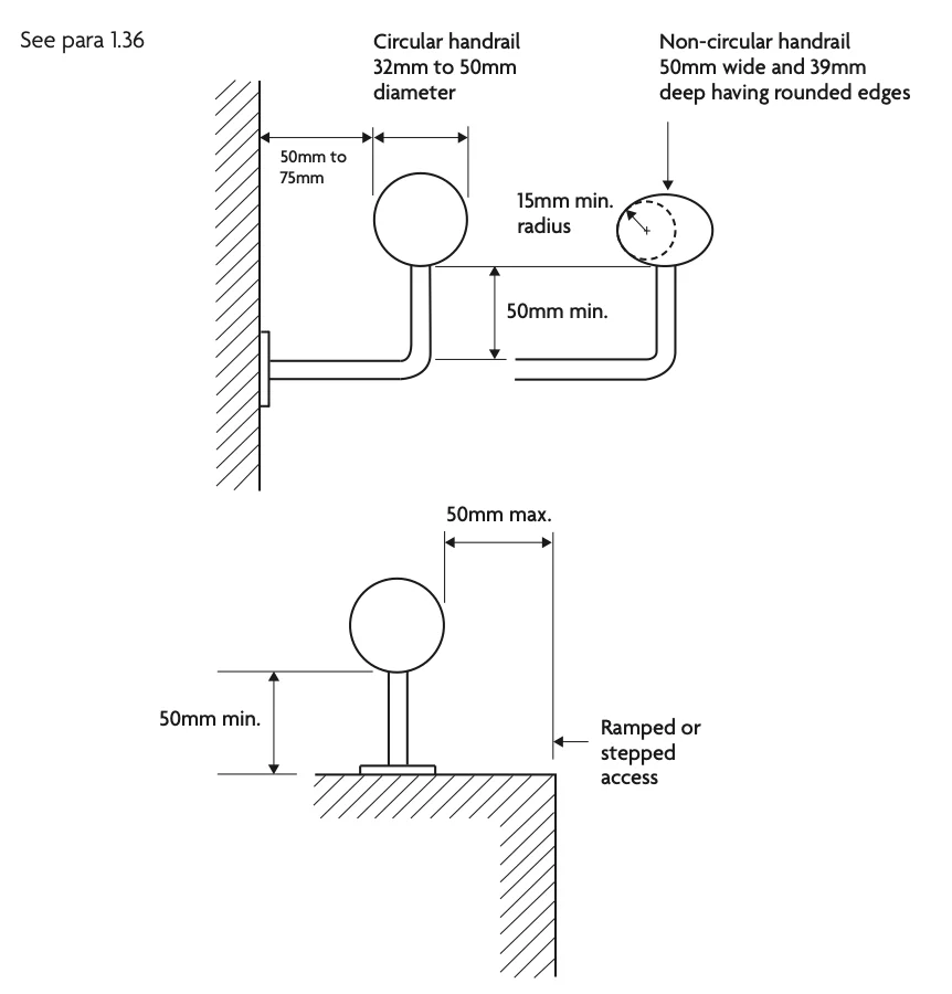
What does Section 1: Stairs and ladders say about handrails that could apply to anti-skate studs?
The general synopsis of the section is when, where and how it is appropriate to include handrails for stair sets and the numerous factors that may come into play. The most relevant parts refer to the surface and design of the handrail.
“ For buildings other than dwellings
- Use a surface for the handrail that is slip-resistant and which, in locations subject to extremely cold or hot temperatures, does not become excessively cold or hot to touch. In areas where resistance to vandalism or low maintenance are key factors, use of metals with relatively low thermal conductivity may be appropriate.
- Finish the end of the handrail in a way that reduces the risk of clothing being caught
- Use the handrail profile shown in Diagram 1.13”

These excerpts apply directly to the surface and structure of the handrail, although it makes no mention of adaptations or alterations of the handrail itself, such as handrail anti-skate studs or braille signage.
Handrails for ramps
Handrails for ramps are covered under the same section and diagram shown above for stair sets and steps.
Does Part K apply to handrail anti-skate studs?
Nothing in Part K expressly mentions adaptations or alterations to handrails; it’s more concerned with their raw implementation. It’s neither for nor against them in any way, nor does it prohibit their use.
The primary concern from those who ask us about how Part K relates to if the handrail anti-skate studs will impede pedestrians or become a hazard in any way. Studmarc handrail anti-skate studs are designed to be as minimally invasive as possible with a low profile that prevents skaters from misusing handrails without interrupting pedestrians.
If you have any questions around Part K or our handrail anti-skate stud, please feel free to contact us on 01686 807450 or via email at [email protected]
